Please so do not hesitate to call us 1-888-468-3672


Surface Mount RTD - Flexible Silicone Type
Temperature / Surface Mount Temperature Sensors / R30

Surface Mount RTD - Flexible Silicone Type Picture
  • Strap-on flexible RTD for mounting on pipes
  • Rigid version available for mounting on plates
  • Excellent thermal conductivity and rapid response time
  • Silicone body is moisture resistant
  • Teflon insulation cable standard
  • 2, 3, or 4 wire circuit types
  • Isolation to 1000 VDC
  • Temperatures to 200°C (400°F)

Surface Mount RTD - Flexible Silicone Type Details

  • Model Number & Temperature Range
    RL30 : Low Temp. -50 to 200°C (-58 to 392°F)
  • 1
    Element Type
    P : 100 ohms @ 0°C - a=0.00385 - DIN EN 60751
  • 2
    Element Tolerance

  • 3
    RTD Circuit Type

  • 4
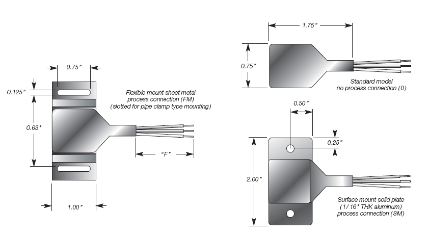
    Process Connection

  • 5
    Lead Wire Insulation 'F'
    TN : Teflon None 200°C (392°F) max.
  • 6
    Extension Cable Length 'F'
      From 6 to 999 inches
  • 7
    Options


  • Comments / Specifications

X

Please select your region and language

(to make your selection, click on a regional language)

Canada
USA
X

Request Membership

Are you a customer or a distributor?

Customer
Distributor